引言
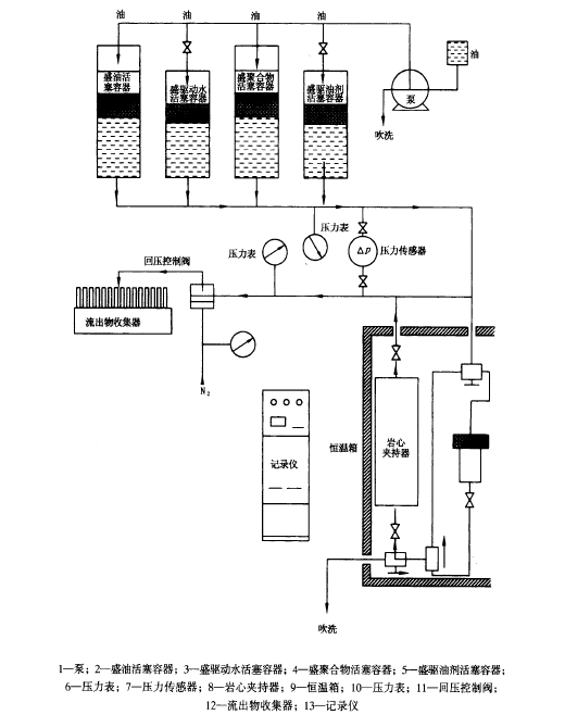
在油田开发过程中,通常称利用油藏天然能量开采的采油方式为一次采油。而在一次采油后,通过注水或非混相注气提高油层压力并驱替油层中原油的驱油方式称为二次采油。三次采油是指油田在利用天然能量进行开采和传统的用人工增补能量(注水、注气)之后,利用物理的、化学的、生物的新技术进行尾矿采油的开发方式。为了评价复合驱油体系性能,建立完善了一套系统的评价方法,岩心驱油实验流程示意图如下。

图1 岩心驱替实验流程图:图中流出物收集器主要是不间断地计量驱出液量,并要求统计总累积量,因此,该部分的计量对整个实验起着至关重要的作用。
未采用电子天平在线计量应用方案前存在的问题
计量系统是连续不断地驱替出液的,需要人员一直不间断地在不同时间段记录下驱出液量,然后进行累积量的计算,而这部分数据为人工记录,需要后期再次输入记录仪中软件进行最终实验数据的计算。因此操作步骤较多,计量部分与驱替实验仪器软件方面不能直接连接,不能提供统一完整格式的报告。
赛多利斯天平在线计量方案的使用
为了一次性在线完成计量系统的数据采集计算,使用赛多利斯BSA223S型和BSA2202S型天平分别对驱出油和驱出水进行在线实时计量,并反馈数据给记录仪软件,完成最终实验数据的计算。整个方案的过程是:首先在原有记录仪软件下再添加一部分电子天平数据采集以及计算程序,该程序代码符合赛多利斯BSA223S型和BSA2202S型天平数据通信协议。然后实验过程中,设定取样计量时间,电子天平将采集到数据反馈回记录仪软件。最后,软件记录下不同时间段内所有数据,套入软件公式计算最终得到实验要求的采收率结果。

应用效果
使用电子天平在线实时计量驱出液量方案之后,操作人员按照记录仪软件设置要求操作,设定取样时间间隔后,直接开始实验,无需人工繁琐的记录驱出液量,提高了工作质量。图4为方案实施后采集到的驱出液量。
赛多利斯高质量的天平和兼容的软件通信协议最大程度的保证了计量的准确性和数据统计的便捷性。该方案的应用也为今后其他油田开采实验提供了新的思路。
[编者按]
相对于经典的BSA系列,开启称重新时代的Secura、Quintix和Practum还可提供一些新的方案:
1. 数据连续采集是电子天平较为普遍的应用, Secura、Quintix和Practum系列可直接连接电脑导入Excel、Word和txt文件中,可利用Excel批量进行运算。
2. 如果有简单的乘以一个系数的运算,Secura和Quintix天平的转换功能可以直接实现,无需连接电脑或其它软件。
3. Secura、Quintix、Practum直观的界面和菜单会对您的操作给予直观的引导,大大简化您的操作。
了解更多
参考文献
[1]SY-T 6424-2000 复合驱油体系性能测试方法
[2]冈秦麟·论我国的三次采油技术[J]·油气采收率技术 2003.5: 5-4
[3]黄学·我国石油企业三次采油技术预见理论及应用[J]·2006. 9
作者:潘谦宏 西安长庆化工集团有限公司
赛多利斯中国
电话:400.920.9889 / 800.820.9889
传真:021.68782332
邮箱:info.cn@sartorius.com
扫一扫,关注赛多利斯官方网站、微博和微信,了解最新资讯:

